CDS15DE-380/2700
15dB Directional Coupler
Rev : DRAF | Rev date : 06 Apr 2016
The RFS Technologies CDS**DE Directional Coupler series provides an RF broadband solution for indoor applications covering all wireless services from 380 to 2700 MHz.
The wide frequency range allows to use these couplers for multiband wireless Distributed Antenna Systems (DAS) or in combination with RADIAFLEX® radiating cable products.
The units couple off a defined fraction of the signal from 6 to 30 dB fulfilling highest RF performance requirements by minimizing reflections or RF loss combined with a compact design. As all passive RF products, the CDS**DE series ensures highest reliability and maintenance free operation.
The wide frequency range allows to use these couplers for multiband wireless Distributed Antenna Systems (DAS) or in combination with RADIAFLEX® radiating cable products.
The units couple off a defined fraction of the signal from 6 to 30 dB fulfilling highest RF performance requirements by minimizing reflections or RF loss combined with a compact design. As all passive RF products, the CDS**DE series ensures highest reliability and maintenance free operation.
FEATURES / BENEFITS
- 15 dB coupling value
- Low Insertion loss
- High power handling
- Small size, Low weight
- 7-16 DIN female connectors
- Low PIM
CDS15DE-380/2700
Technical features
| ||||||||||||||||||
| |||||||||||||||||||||||||||||||||
| ||||||
| ||||||||||||
| ||||||

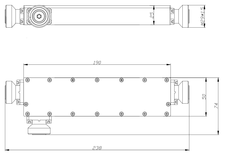
Dimensions in mm
External Document Links
Notes