CDS15DE-694/3800
15dB Directional Coupler
Rev : P1 | Rev date : 04 Nov 2019
RFS Technologies CDS**E series Directional Coupler has been designed for outdoor applications covering 694 to 3800MHz. Units couple off a defined fraction of signal from 6 to 30 dB with minimal reflections or loss. The frequency range allows use with antennas and leaky cable systems and in wireless base stations. With minimal solder joints, the dissipative loss has been minimized and reliability enhanced.
FEATURES / BENEFITS
- 15 dB coupling value
- Low insertion loss
- High power handling
- Small size, Low weight
- 716-female connectors
- -155 dBcPIM
Structure |
|---|
| Product Type | | Directional Coupler | | Techn. Application | | Indoor | | Number of Input Ports | | 1 | | Number of Output Ports | | 2 | | Connector Type | | 716 female |
|
Electrical Specifications |
|---|
| Frequency Range | MHz | 694 - 3800 | | Impedance | Ohm | 50 | | Insertion Loss max. | dB | 0.4 | | Max. VSWR / Return Loss | VSWR/dB | 1.25/19.1 (1.25) | | Intermodulation (IM3) | | -155 dBc with 2x43 dBm tones | | Coupling Value | dB | 15 | | Directivity min. | dB | 20 | | Coupling Flatness max. | dB | ±1.0 | | Total Input Power | W | 200 |
|
Temperature Specifications |
|---|
| Temperature Range | °C (°F) | -25 to +65 (-13 to +149) |
|
Mechanical Specifications |
|---|
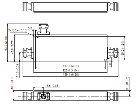
| Height | mm (in) | 16.5 (0.65) | | Width | mm (in) | 63.2 (2.49) | | Length | mm (in) | 159.4 (6.28) |
|
Testing and Environmental |
|---|
| Environmental Class | | IP65 |
|

Dimensions mm(inch)