Error: API error: The supplied UserAgent is not allowed: Mozilla/5.0 AppleWebKit/537.36 (KHTML, like Gecko; compatible; ClaudeBot/1.0; +claudebot@anthropic.com) PDS6-43-694/3800 - 6 Way Power - RFS Technologies an Amphenol Company
RFS Technologies website is optimized for recent browsers :
IE9+, Chrome 31+, Firefox 31+, Opera 28+, Safari 7+


My e-catalog

PDS6-43-694/3800
6 Way Power Divider

Rev : B | Rev date : 08 Apr 2020
RFS Technologies PDS*-43 series Power Splitters have been designed for a variety of wireless applications in the frequency band from 694 to 3800MHz. The units evenly split and distribute wireless signals with minimal reflections or loss. The broad frequency range and outstanding PIM rating is ideally suited for multi-band distributed antenna systems or in combination with RADIAFLEX® radiating cables.

FEATURES / BENEFITS

  • 4.3-10-female interfaces
  • PIM optimized design (160dBc @ 2x43dBm)
  • Ideal for all kind of DAS applications
  • Low insertion loss
  • High power handling
  • Small size, Low weight


Technical features

Structure

Product TypePower Divider
Techn. ApplicationIndoor
Number of Input Ports1
Number of Output Ports6
Connectors4.3-10-female

Electrical Specifications

Frequency Range MHz694 - 3800
Impedance Ohm50
Max. VSWR / RLVSWR/dB1.4 ( 15.5 ) @ - GHz
Split Loss dB8.6
Intermodulation (IM3)-160 dBc with 2x43 dBm tones
Total Input Power W400

Temperature Specifications

Temperature Range °C (°F)-25 to +65 (-13 to +149)

Mechanical Specifications

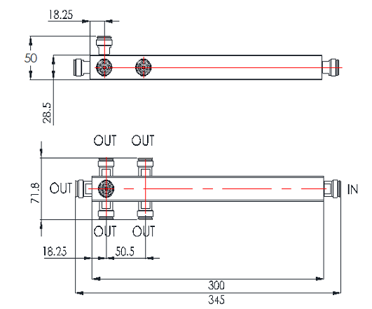
Height (Less Connectors) mm (in)50 (1.97)
Width (Less Connectors) mm (in)71.8 (2.83)
Length (Less Connectors) mm (in)345 (13.58)

Testing and Environmental

Environmental ClassIndoor

External Document Links

Notes

Mounting hardware not included