TPS8E-694/3800
Unequal Divider/Tapper
Rev : A | Rev date : 31 Jan 2019
RFS Technologies TPS* Tapper product family has been designed to support a variety of wireless applications in the frequency band from 694 to 3800MHz. The units couple off a defined fraction of a RF signal from typically 3 to 30 dB with minimal reflections or loss. The broad frequency range is ideally suited for 3G / 4G / 5G multi-band distributed antenna systems or in combination with RADIAFLEX® radiating cables. Notably, these products feature a low level of network interferences due to their PIM optimized desing.
FEATURES / BENEFITS
- Split ratio 6:1 / 8dB
- Minimized RF insertion loss
- PIM optimized desing
- Small size and weight
- N-female connectors
Structure |
|---|
| Product Type | | Unequal Divider/Tapper | | Techn. Application | | Indoor | | Number of Input Ports | | 1 | | Number of Output Ports | | 2 | | Connector Type | | N female |
|
Electrical Specifications |
|---|
| Frequency Range | MHz | 694 - 3800 | | Impedance | Ohm | 50 | | Insertion Loss max. | dB | 0.8 | | Max. VSWR / Return Loss | VSWR/dB | 1.30/17.7 (1.3) | | Intermodulation (IM3) | | 155dBc (2x43dBm) | | Coupling Value | dB | 8.5 | | Coupling Flatness max. | dB | +1.0 / -2.0 | | Power Ratio - between Outputs | dB | 6:1 / 8dB | | Total Input Power | W | 200 |
|
Temperature Specifications |
|---|
| Temperature Range | °C (°F) | -25 to +65 (-13 to +149) |
|
Mechanical Specifications |
|---|
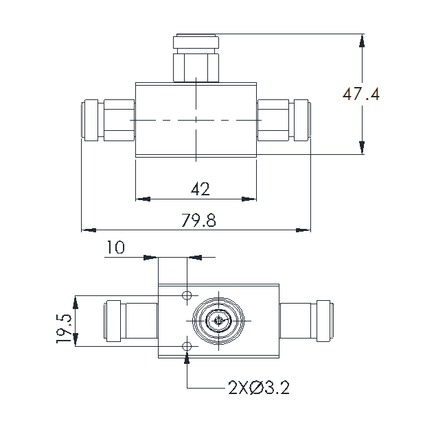
| Height | mm (in) | 47.4 (1.87) | | Width | mm (in) | 19.5 (0.77) | | Length | mm (in) | 79.8 (3.14) |
|
Testing and Environmental |
|---|
| Environmental Class | | IP65 |
|